
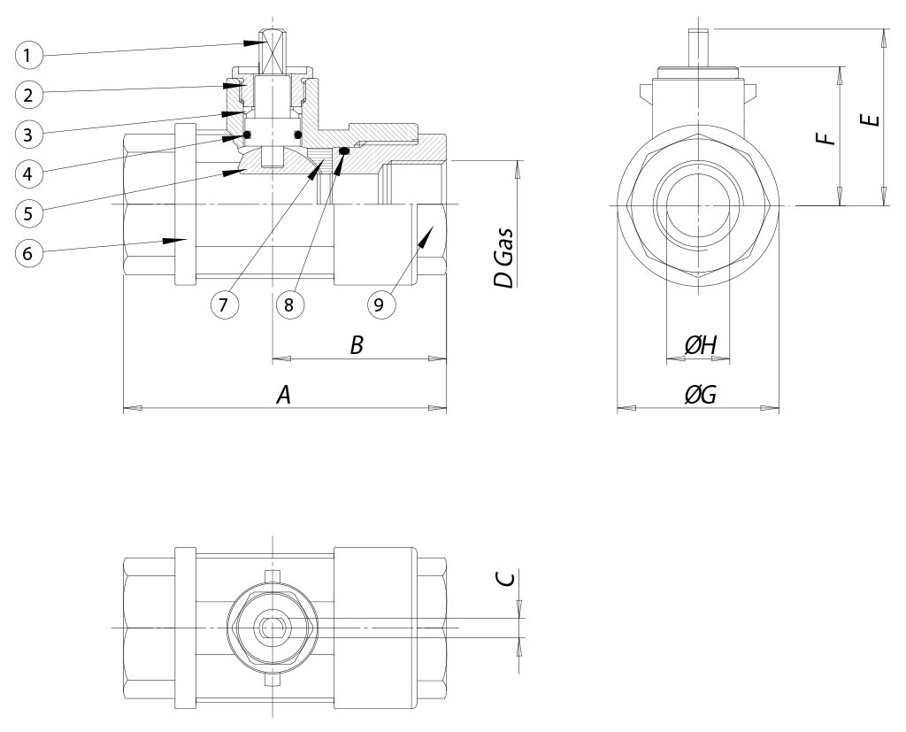
一般特征:
高壓球閥適用于液壓和氣動;
工作溫度:從-20℃到+80℃;
工作壓力:210bar,見圖表;
流體范圍:油、石油和石化產品;
螺紋端符合EN 10226-1 Rp (Ex ISO 7/1)規范。
應要求:
對于其他應用,請聯系我們的銷售部門。
產品資料
意大利歐瑪爾(OMAL.S.P.A.)自控閥門公司,是集設計與制造為一體的自主研發型閥門制造公司,在執行器和自控閥門的設計和制造方面有著30年的經驗。OMAL(歐瑪爾)自控閥門公司系出名門,由意大利知名工業企業BONOMI集團傳人BONOMI-OMAL先生于1981年創立,并于當年推出具有劃時代意義的“單氣缸雙活塞-撥叉式變扭矩” 氣動執行器,榮獲多項專利,具備“小體積-大扭矩”的突出特點,使控制更為可靠方便。依托優異的品質和先進的技術,OMAL(歐瑪爾)迅速成長為歐洲撥叉式氣動執行器供應商,為客戶提供更為專業的自控服務。1990年,OMAL(歐瑪爾)相繼推出自控球閥、自控蝶閥、自控角座閥等多品種全型號自控閥門,1998年,OMAL(歐瑪爾)VIP梭閥榮獲歐洲工業設計金獎。憑借著對技術與品質的執著追求,OMAL執行器和自控閥門已處于歐洲領先地位,也由最初的專業執行器制造商,成長為歐洲著名的自控閥門公司。對品質的嚴格要求和對技術的不斷創新,是OMAL產品領先世界的重要原因。OMAL自控閥門產品覆蓋所有的工業領域,能滿足各種嚴酷惡劣的條件及高標準用戶的要求,其產品有:球閥、蝶閥、角座閥、梭閥以及執行器等。

MISURA SIZE | ARTICOLO | ATTUATORE | KIT montaggio | L [mm] | H [mm] | Kg | |
DN [mm] | [inch] | ITEM CODE | ACTUATOR | Mounting KIT | |||
DN 10 | 3/8" | DG113H003 | DAN0015411S | KCF045244 | 159 | 131,7 | 1,1 |
DN 15 | 1/2" | DG113H004 | DAN0015411S | KCF045244 | 159 | 133,2 | 1,3 |
DN 20 | 3/4" | DG113H005 | DAN0030411S | KCF042444 | 174,2 | 153,7 | 2,3 |
DN 25 | 1" | DG113H006 | DAN0030411S | KCF042444 | 174,2 | 156,7 | 2,8 |
MISURA SIZE | ARTICOLO | ATTUATORE | KIT montaggio | L [mm] | H [mm] | Kg | |
DN [mm] | [inch] | ITEM CODE | ACTUATOR | Mounting KIT | |||
DN 10 | 3/8" | SG113H003 | SRN0015401S | KCF045244 | 233,2 | 138,7 | 1,8 |
DN 15 | 1/2" | SG113H004 | SRN0015401S | KCF045244 | 233,2 | 140,2 | 2,0 |
DN 20 | 3/4" | SG113H005 | SRN0030402S | KCF053015 | 258,8 | 164,9 | 3,5 |
DN 25 | 1" | SG113H006 | SRN0030402S | KCF053015 | 258,8 | 167,9 | 4,0 |