
一般特征:
閥門適用于低壓,非腐蝕性流體介質;
工作溫度:流體從-20℃到+150℃;
工作壓力:見圖表;
流體范圍:空氣、水、油、氣、石油和石化產品、真空;
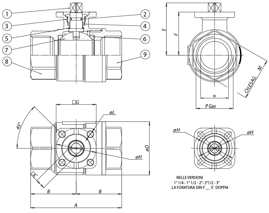
螺紋端符合EN 10226-1 Rp (Ex ISO 7/1)規范;
符合國際標準化組織5211規范;
可提供帶有自刮式球形密封件的版本,適用于臟流體或內部有固體顆粒的情況。
應要求:
對于其他應用,請聯系我們的技術部門。
認證:
2014/68/EU “PED”
根據要求,ATEX版本符合指令2014/34/歐盟
產品資料
意大利 歐瑪爾(OMAL.S.P.A.)自控閥門公司,是集設計與制造為一體的自主研發型閥門制造公司,在 執行器和自控閥門的設計和制造方面有著30年的經驗。OMAL(歐瑪爾)自控閥門公司系出名門,由意大利知名工業企業BONOMI集團傳人BONOMI-OMAL先生于1981年創立,并于當年推出具有劃時代意義的“單氣缸雙活塞-撥叉式變扭矩” 氣動執行器,榮獲多項專利,具備“小體積-大扭矩”的突出特點,使控制更為可靠方便。依托優異的品質和先進的技術,OMAL(歐瑪爾)迅速成長為歐洲撥叉式氣動執行器供應商,為客戶提供更為專業的自控服務。1990年,OMAL(歐瑪爾)相繼推出自控球閥、自控蝶閥、自控 角座閥等多品種全型號自控閥門,1998年,OMAL(歐瑪爾)VIP梭閥榮獲歐洲工業設計金獎。憑借著對技術與品質的執著追求,OMAL執行器和自控閥門已處于歐洲領先地位,也由最初的專業執行器制造商,成長為歐洲著名的自控閥門公司。對品質的嚴格要求和對技術的不斷創新,是OMAL產品領先世界的重要原因。OMAL自控閥門產品覆蓋所有的工業領域,能滿足各種嚴酷惡劣的條件及高標準用戶的要求,其產品有:球閥、蝶閥、角座閥、梭閥以及執行器等。
參數:
ASSE LIBERO | FREE SHAFT | CON LEVA WITH LEVER | |||||||||||
MISURA SIZE | Asse libero | Con guarnizione | Con Leva | Con guarnizione | Kit leva | ||||||||
ATEX | autoraschiante | Kg | ATEX | autoraschiante | Kg | ||||||||
DN [mm] | [inch] | Free shaft | With self-scraping seal | With lever | With self-scraping seal | Lever kit | |||||||
DN 10 | 3/8" | V101N203 | V101N203YX | - | 0,33 | L101N203 | L101N203YX | - | 0,4 | KLV10103 | |||
DN 15 | 1/2" | V101N204 | V101N204YX | - | 0,29 | L101N204 | L101N204YX | - | 0,35 | KLV10103 | |||
DN 20 | 3/4" | V101N205G | V101N205GYX | - | 0,43 | L101N205G | L101N205GYX | - | 0,5 | KLV10105 | |||
DN 25 | 1" | V101N206G | V101N206GYX | - | 0,66 | L101N206G | L101N206GYX | - | 0,72 | KLV10105 | |||
DN 32 | 1" 1/4 | V101N207G | V101N207GYX | V101Z207G | 1,07 | L101N207G | L101N207GYX | L101Z207G | 1,14 | KLV10109 | |||
DN 40 | 1" 1/2 | V101N208G | V101N208GYX | V101Z208G | 1,52 | L101N208G | L101N208GYX | L101Z208G | 1,59 | KLV10109 | |||
DN 50 | 2" | V101N209 | V101N209YX | V101Z209 | 2,62 | L101N209 | L101N209YX | L101Z209 | 2,69 | KLV10109 | |||
DN 65 | 2" 1/2 | V101N210 | V101N210YX | V101Z210 | 3,98 | L101N210 | L101N210YX | L101Z210 | 4,28 | KLV10110 | |||
DN 80 | 3" | V101N211 | V101N211YX | V101Z211 | 6,68 | L101N211 | L101N211YX | L101Z211 | 6,98 | KLV10110 | |||
MISURA SIZE | ARTICOLO | ATTUATORE | KIT montaggio | L | H | Kg | |
DN [mm] | [inch] | ITEM CODE | ACTUATOR | Mounting KIT | [mm] | [mm] | |
DN 10 | 3/8" | D101H003 | DA008401S | KCF032558 | 70,0 | 88,0 | 0,6 |
DN 15 | 1/2" | D101H004 | DA008401S | KCF032558 | 70,0 | 88,0 | 0,6 |
DN 20 | 3/4" | DG101H005 | DAN0015411S | KCF032558 | 159,0 | 103,3 | 1,1 |
DN 25 | 1" | DG101H006 | DAN0015411S | KCF032558 | 159,0 | 107,3 | 1,3 |
DN 32 | 1" 1/4 | DG101H*07 | DAN0030411S | KCF032558 | 174,2 | 129,8 | 2,0 |
DN 40 | 1" 1/2 | DG101H*08 | DAN0030411S | KCF032558 | 174,2 | 136,8 | 2,5 |
DN 50 | 2" | DG101H*09 | DAN0045412S | KCF042559 | 188,5 | 149,4 | 4,6 |
DN 65 | 2" 1/2 | DG101H*10 | DAN0106411S | KCF072567 | 237,0 | 186,3 | 7,2 |
DN 80 | 3" | DG101H*11 | DAN0120411S | KCF072567 | 244,1 | 201,6 | 10,1 |
MISURA SIZE | ARTICOLO | ATTUATORE | KIT montaggio | L | H | Kg | |
DN [mm] | [inch] | ITEM CODE | ACTUATOR | Mounting KIT | [mm] | [mm] | |
DN 10 | 3/8" | C101A5E03 | EA0035A5C000 | KCF052003 | 250,0 | 170,0 | 3,8 |
DN 15 | 1/2" | C101A5E04 | EA0035A5C000 | KCF052003 | 250,0 | 170,0 | 3,8 |
DN 20 | 3/4" | CG101A5E05 | EA0035A5C000 | KCF055309 | 250,0 | 173,3 | 4,0 |
DN 25 | 1" | CG101A5E06 | EA0035A5C000 | KCF055309 | 250,0 | 177,2 | 4,3 |
DN 32 | 1" 1/4 | CG101A5E07 | EA0035A5C000 | KCF055309 | 250,0 | 188,5 | 4,7 |
DN 40 | 1" 1/2 | CG101A5E08 | EA0035A5C000 | KCF055309 | 250,0 | 195,0 | 5,1 |
DN 50 | 2" | C101A5G09 | EA0070A5C000 | KCF052004 | 250,0 | 202,3 | 6,2 |
DN 65 | 2" 1/2 | C101A5I10 | EA0130A5C000 | KCF072567 | 279,6 | 240,6 | 11,5 |
DN 80 | 3" | C101A5I11 | EA0130A5C000 | KCF072567 | 279,6 | 252,1 | 14,1 |
MISURA SIZE | ARTICOLO | ATTUATORE | KIT montaggio | L | H | Kg | |
DN [mm] | [inch] | ITEM CODE | ACTUATOR | Mounting KIT | [mm] | [mm] | |
DN 10 | 3/8" | M10116C03 | AM160002 | KCF052003 | 165,8 | 149,0 | 3,0 |
DN 15 | 1/2" | M10116C04 | AM160002 | KCF052003 | 165,8 | 149,0 | 3,0 |
DN 20 | 3/4" | MG10116C05 | AM160002 | KCF055309 | 165,8 | 155,8 | 3,2 |
DN 25 | 1" | MG10116C06 | AM160002 | KCF055309 | 165,8 | 159,6 | 3,4 |
DN 32 | 1" 1/4 | MG10116F07 | AM160005 | KCNACDV5421 | 250,0 | 272,5 | 5,5 |
DN 40 | 1" 1/2 | MG10116F08 | AM160005 | KCNACDV5421 | 250,0 | 279,0 | 5,9 |
DN 50 | 2" | M10116F09 | AM160005 | KCE281943 | 250,0 | 266,3 | 7,0 |
DN 65 | 2" 1/2 | M10116L10 | AM160020 | KCE362068 | 279,6 | 304,6 | 12,3 |
DN 80 | 3" | M10116L11 | AM160020 | KCE362068 | 279,6 | 316,1 | 14,9 |