

一般特征:
帶有3個閥座的閥門,用于混合和分流過程。有可能選擇兩種方式,并以第三種方式關閉流量。
工作溫度:0℃至+80℃
工作壓力:見圖表。
應用:與聚氯乙烯相容的化學品和各種流體。
連接:
內螺紋符合德國工業標準/國際標準化組織228/1;
根據國際標準化組織727 UNI EN 1452進行膠合
PN 10至25°C,如果用用過的流體分類耐化學性
應要求:
請聯系我們的銷售部門。
產品資料
意大利 歐瑪爾(OMAL.S.P.A.)自控閥門公司,是集設計與制造為一體的自主研發型閥門制造公司,在 執行器和自控閥門的設計和制造方面有著30年的經驗。OMAL(歐瑪爾)自控閥門公司系出名門,由意大利知名工業企業BONOMI集團傳人BONOMI-OMAL先生于1981年創立,并于當年推出具有劃時代意義的“單氣缸雙活塞-撥叉式變扭矩” 氣動執行器,榮獲多項專利,具備“小體積-大扭矩”的突出特點,使控制更為可靠方便。依托優異的品質和先進的技術,OMAL(歐瑪爾)迅速成長為歐洲撥叉式氣動執行器供應商,為客戶提供更為專業的自控服務。1990年,OMAL(歐瑪爾)相繼推出自控球閥、自控蝶閥、自控 角座閥等多品種全型號自控閥門,1998年,OMAL(歐瑪爾)VIP梭閥榮獲歐洲工業設計金獎。憑借著對技術與品質的執著追求,OMAL執行器和自控閥門已處于歐洲領先地位,也由最初的專業執行器制造商,成長為歐洲著名的自控閥門公司。對品質的嚴格要求和對技術的不斷創新,是OMAL產品領先世界的重要原因。OMAL自控閥門產品覆蓋所有的工業領域,能滿足各種嚴酷惡劣的條件及高標準用戶的要求,其產品有:球閥、蝶閥、角座閥、梭閥以及執行器等。

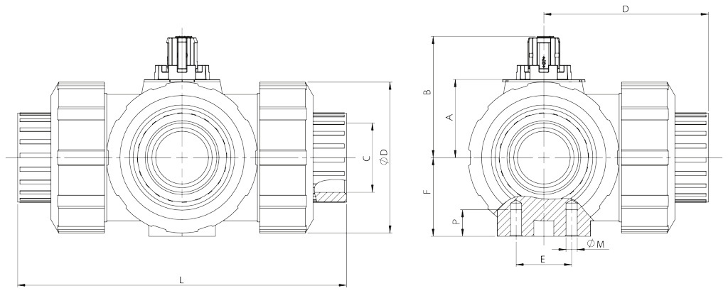
DIMENSIONS | ||||||||||||||
SIZE | A | B | C Threaded | C Glued | D Threaded | D Glued | E | F | L Threaded | L Glued | ?M | P | ?Q | |
| DN [mm] | [inch] | |||||||||||||
| DN 10 | 3/8" | 26,1 | 41 | 3/8" | 16 | 54 | 52 | 25 | 28 | 113 | 109 | 6 | 8 | 50 |
| DN 15 | 1/2" | 26,1 | 41 | 1/2" | 20 | 56 | 54 | 25 | 28 | 117 | 112 | 6 | 8 | 50 |
| DN 20 | 3/4" | 30 | 48,5 | 3/4" | 25 | 66 | 64 | 25 | 32 | 135 | 131 | 6 | 8 | 58 |
| DN 25 | 1" | 35,2 | 55 | 1" | 32 | 74 | 72 | 25 | 36 | 155 | 151 | 6 | 8 | 68 |
| DN 32 | 1" 1/4 | 44 | 66,9 | 1" 1/4 | 40 | 89 | 90 | 45 | 45 | 179 | 181 | 8 | 9 | 84 |
| DN 40 | 1" 1/2 | 50,2 | 73,1 | 1" 1/2 | 50 | 102,5 | 105 | 45 | 51 | 201 | 205 | 8 | 9 | 97 |
| DN 50 | 2" | 62 | 89,4 | 2" | 63 | 130,5 | 133,5 | 45 | 65 | 255 | 261 | 8 | 9 | 124 |

CON ATTUATORE PNEUMATICO DOPPIO EFFETTO | ||||||||||
WITH DOUBLE ACTING PNEUMATIC ACTUATOR | ||||||||||
MISURA SIZE | ARTICOLO valvola filettata | ARTICOLO valvola da incollare | ATTUATORE | KIT montaggio | L [mm] | H [mm] | Kg | |||
DN [mm] | [inch] | ITEM CODE threaded valve | ITEM CODE to be glued valve | ACTUATOR | Mounting KIT | |||||
10 | 3/8" | DG63*H003 | DG63*H083 | DAN0015412S | KCF045453 | 159,0 | 119,0 | 1,18 | ||
15 | 1/2" | DG63*H004 | DG63*H084 | DAN0015412S | KCF045453 | 159,0 | 119,0 | 1,19 | ||
20 | 3/4" | DG63*H005 | DG63*H085 | DAN0015412S | KCF045454 | 159,0 | 128,0 | 1,30 | ||
25 | 1" | DG63*H006 | DG63*H086 | DAN0015412S | KCF045454 | 159,0 | 133,0 | 1,49 | ||
32 | 1"1/4 | DG63*H007 | DG63*H087 | DAN0015412S | KCF045455 | 159,0 | 145,0 | 1,81 | ||
40 | 1"1/2 | DG63*H008 | DG63*H088 | DAN0030411S | KCF045678 | 174,0 | 158,0 | 2,21 | ||
50 | 2" | DG63*H009 | DG63*H089 | DAN0030411S | KCF045456 | 174,0 | 175,0 | 3,50 | ||
CON ATTUATORE PNEUMATICO SEMPLICE EFFETTO | ||||||||||||
WITH SPRING RETURN PNEUMATIC ACTUATOR | ||||||||||||
MISURA | SIZE | ARTICOLO valvola filettata | ARTICOLO valvola da incollare | ATTUATORE | KIT montaggio | L [mm] | H [mm] | Kg | ||||
DN [mm] | [inch] | ITEM CODE threaded valve | ITEM CODE to be glued valve | ACTUATOR | Mounting KIT | |||||||
10 | 3/8" | SG63*H003 | SG63*H083 | SRN0015402S | KCF045453 | 233,2 | 126,0 | 1,68 | ||||
15 | 1/2" | SG63*H004 | SG63*H084 | SRN0015402S | KCF045453 | 233,2 | 126,0 | 1,69 | ||||
20 | 3/4" | SG63*H005 | SG63*H085 | SRN0015402S | KCF045454 | 233,2 | 135,0 | 1,80 | ||||
25 | 1" | SG63*H006 | SG63*H086 | SRN0015402S | KCF045454 | 233,2 | 140,0 | 1,99 | ||||
32 | 1"1/4 | SG63*H007 | SG63*H087 | SRN0015402S | KCF045455 | 233,2 | 152,0 | 2,31 | ||||
40 | 1"1/2 | SG63*H008 | SG63*H088 | SRN0030402S | KCF055461 | 258,8 | 168,0 | 3,21 | ||||
50 | 2" | SG63*H009 | SG63*H089 | SRN0030402S | KCF055462 | 258,8 | 185,0 | 4,50 | ||||
* Articolo 635: valvola filettata Sfera a T - Articolo 636: valvola filettata Sfera a L - Articolo 637: valvola da incollare Sfera a T | - Articolo 638: valvola da incollare Sfera a L. | |||||||||||
* Item 635: threaded valve T port - Item 636: threaded valve L port - Item 637: to be glued valve T port - Item 638: to be glued valve L port. | ||||||||||||