
一般特征:
該閥門適用于中壓非腐蝕性流體。閥門只能用作分流器,信道只能從中心方向,見平面。
工作溫度:從-20℃到+120℃
工作壓力:最大16Bar,見圖表
流體范圍:空氣、水、油、氣、含油氣和石化產品。
螺紋端符合EN 10226-1 Rp (Ex ISO 7/1)規范。
閥門頭符合國際標準化組織5211規范
應要求:
對于其他應用,請聯系我們的銷售部門。
認證:
按2014/68/歐盟“PED”
按ATEX版本符合指令2014/34/歐盟
產品資料
意大利 歐瑪爾(OMAL.S.P.A.)自控閥門公司,是集設計與制造為一體的自主研發型閥門制造公司,在 執行器和自控閥門的設計和制造方面有著30年的經驗。OMAL(歐瑪爾)自控閥門公司系出名門,由意大利知名工業企業BONOMI集團傳人BONOMI-OMAL先生于1981年創立,并于當年推出具有劃時代意義的“單氣缸雙活塞-撥叉式變扭矩” 氣動執行器,榮獲多項專利,具備“小體積-大扭矩”的突出特點,使控制更為可靠方便。依托優異的品質和先進的技術,OMAL(歐瑪爾)迅速成長為歐洲撥叉式氣動執行器供應商,為客戶提供更為專業的自控服務。1990年,OMAL(歐瑪爾)相繼推出自控球閥、自控蝶閥、自控 角座閥等多品種全型號自控閥門,1998年,OMAL(歐瑪爾)VIP梭閥榮獲歐洲工業設計金獎。憑借著對技術與品質的執著追求,OMAL執行器和自控閥門已處于歐洲領先地位,也由最初的專業執行器制造商,成長為歐洲著名的自控閥門公司。對品質的嚴格要求和對技術的不斷創新,是OMAL產品領先世界的重要原因。OMAL自控閥門產品覆蓋所有的工業領域,能滿足各種嚴酷惡劣的條件及高標準用戶的要求,其產品有:球閥、蝶閥、角座閥、梭閥以及執行器等。

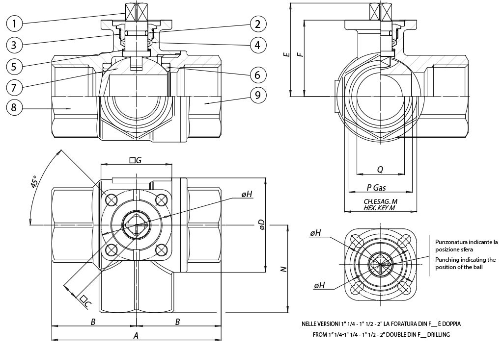
DIMENSIONS | ||||||||||||||
SIZE | A | B | □C | ?D | E | F | □G | ?H | ?L | ch.M | N | P | Q | |
| DN [mm] | [inch] | |||||||||||||
| DN 10 | 3/8" | 69 | 34,5 | 9 | 31,8 | 38,4 | 30,5 | 36 | 36 | 5,5 | 25 | 33 | 3/8” | 10 |
| DN 15 | 1/2" | 69 | 34,5 | 9 | 31,8 | 38,4 | 30,5 | 36 | 36 | 5,5 | 25 | 33 | 1/2” | 15 |
| DN 20 | 3/4" | 77 | 38,5 | 11 | 40 | 47,1 | 36,3 | 36 | 36 | 5,5 | 31 | 38 | 3/4” | 20 |
| DN 25 | 1" | 89 | 44,5 | 11 | 48 | 50,9 | 40,2 | 36 | 36 | 5,5 | 38 | 46 | 1” | 25 |
| DN 32 | 1" 1/4 | 103 | 51,5 | 11 | 60 | 62,5 | 51,5 | 42 | 36/42 | 5,5 | 47 | 54 | 1" 1/4 | 32 |
| DN 40 | 1" 1/2 | 114 | 57 | 11 | 70,6 | 69 | 58 | 42 | 36/42 | 5,5 | 54 | 61 | 1" 1/2 | 40 |
| DN 50 | 2" | 134 | 67 | 11 | 86,5 | 76,3 | 65,3 | 46 | 42/50 | 5,5/6,5 | 66 | 73 | 2” | 50 |

MISURA SIZE | ARTICOLO | ATTUATORE | KIT montaggio | L | H | Kg | |
DN [mm] | [inch] | ITEM CODE | ACTUATOR | Mounting KIT | [mm] | [mm] | |
DN 10 | 3/8" | D153H003 | DA008401S | KCF032558 | 70,0 | 88,0 | 0,7 |
DN 15 | 1/2" | D153H004 | DA008401S | KCF032558 | 70,0 | 88,0 | 0,7 |
DN 20 | 3/4" | DG153H005 | DAN0015411S | KCF032558 | 159,0 | 103,3 | 1,2 |
DN 25 | 1" | DG153H006 | DAN0015411S | KCF032558 | 159,0 | 107,3 | 1,5 |
DN 32 | 1" 1/4 | DG153H007 | DAN0030411S | KCF032558 | 174,2 | 129,8 | 2,2 |
DN 40 | 1" 1/2 | DG153H008 | DAN0030411S | KCF032558 | 174,2 | 136,8 | 2,8 |
DN 50 | 2" | DG153H009 | DAN0045412S | KCF042559 | 188,5 | 149,4 | 5,1 |
MISURA SIZE | ARTICOLO | ATTUATORE | KIT montaggio | L | H | Kg | |
DN [mm] | [inch] | ITEM CODE | ACTUATOR | Mounting KIT | [mm] | [mm] | |
DN 10 | 3/8" | SG153H003 | SRN0015401S | KCF042565 | 233,2 | 108,8 | 1,6 |
DN 15 | 1/2" | SG153H004 | SRN0015401S | KCF042565 | 233,2 | 108,8 | 1,6 |
DN 20 | 3/4" | SG153H005 | SRN0015401S | KCF032558 | 233,2 | 115,8 | 1,7 |
DN 25 | 1" | SG153H006 | SRN0015401S | KCF032558 | 233,2 | 119,8 | 2,0 |
DN 32 | 1" 1/4 | SG153H007 | SRN0030401S | KCF055309 | 258,8 | 141,0 | 3,1 |
DN 40 | 1" 1/2 | SG153H008 | SRN0030401S | KCF055309 | 258,8 | 148,0 | 3,7 |
DN 50 | 2" | SG153H009 | SRN0053401S | KCF075310 | 304,2 | 168,3 | 5,9 |

MISURA SIZE | ARTICOLO | ATTUATORE | KIT montaggio | L | H | Kg | |
DN [mm] | [inch] | ITEM CODE | ACTUATOR | Mounting KIT | [mm] | [mm] | |
DN 10 | 3/8" | C153A5E03 | EA0035A5C000 | KCF052003 | 250,0 | 149,0 | 3,9 |
DN 15 | 1/2" | C153A5E04 | EA0035A5C000 | KCF052003 | 250,0 | 149,0 | 3,9 |
DN 20 | 3/4" | CG153A5E05 | EA0035A5C000 | KCF055309 | 250,0 | 173,3 | 4,0 |
DN 25 | 1" | CG153A5E06 | EA0035A5C000 | KCF055309 | 250,0 | 177,2 | 4,4 |
DN 32 | 1" 1/4 | CG153A5E07 | EA0035A5C000 | KCF055309 | 250,0 | 188,5 | 4,8 |
DN 40 | 1" 1/2 | CG153A5E08 | EA0035A5C000 | KCF055309 | 250,0 | 195,0 | 5,4 |
DN 50 | 2" | C153A5G09 | EA0070A5C000 | KCF052004 | 250,0 | 202,3 | 7,5 |
MISURA SIZE | ARTICOLO | ATTUATORE | KIT montaggio | L | H | Kg | |
DN [mm] | [inch] | ITEM CODE | ACTUATOR | Mounting KIT | [mm] | [mm] | |
DN 10 | 3/8" | M15316C03 | AM160002 | KCF052003 | 165,8 | 149,0 | 3,1 |
DN 15 | 1/2" | M15316C04 | AM160002 | KCF052003 | 165,8 | 149,0 | 3,1 |
DN 20 | 3/4" | MG15316F05 | AM160005 | KCNACDV5421 | 207,5 | 260,0 | 6,0 |
DN 25 | 1" | MG15316F06 | AM160005 | KCNACDV5421 | 207,5 | 263,5 | 6,2 |
DN 32 | 1" 1/4 | MG15316F07 | AM160005 | KCNACDV5421 | 207,5 | 274,0 | 6,7 |
DN 40 | 1" 1/2 | MG15316F08 | AM160005 | KCNACDV5421 | 207,5 | 280,5 | 7,2 |
DN 50 | 2" | M15316F09 | AM160005 | KCE281943 | 207,5 | 228,0 | 8,3 |