
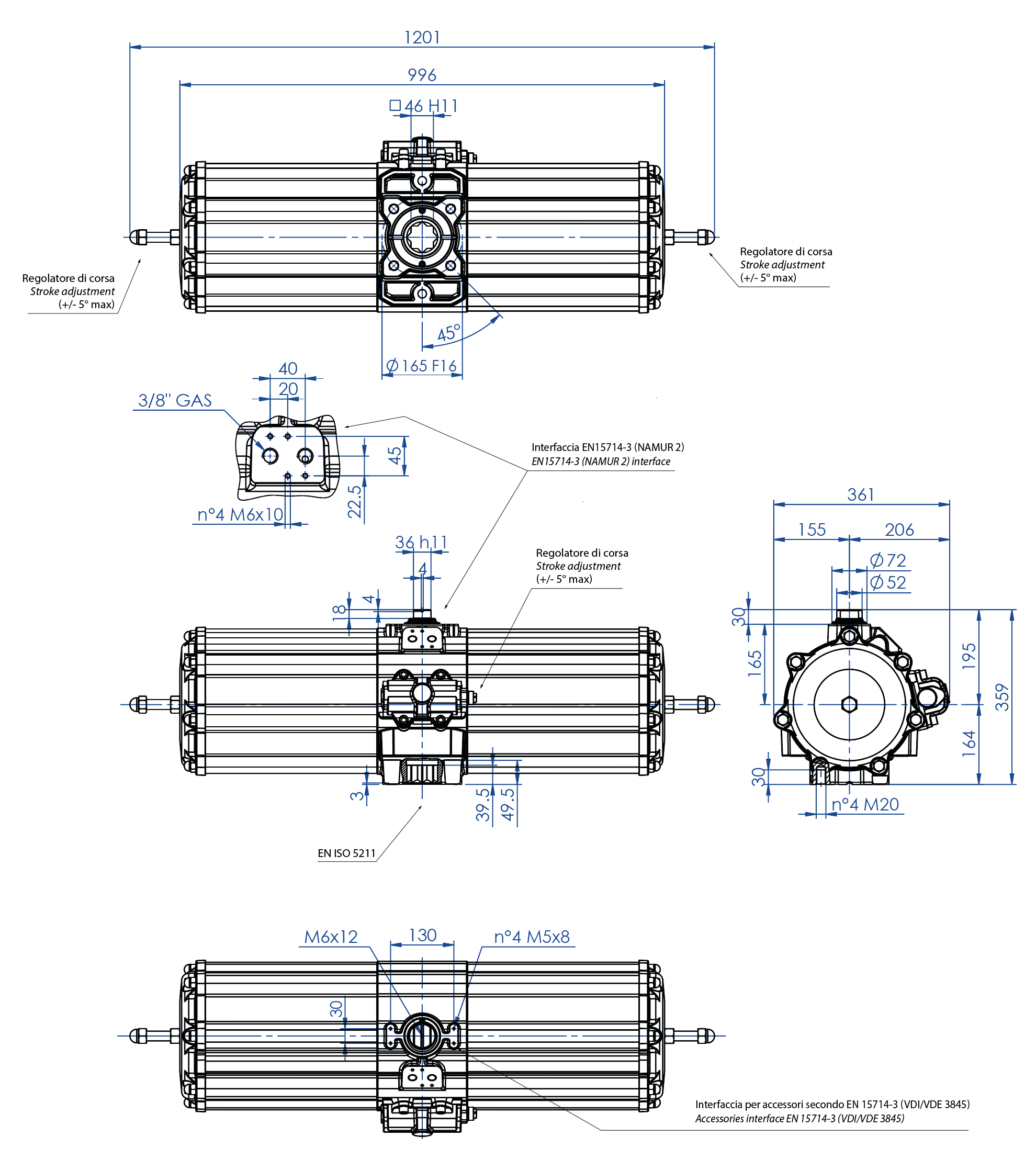
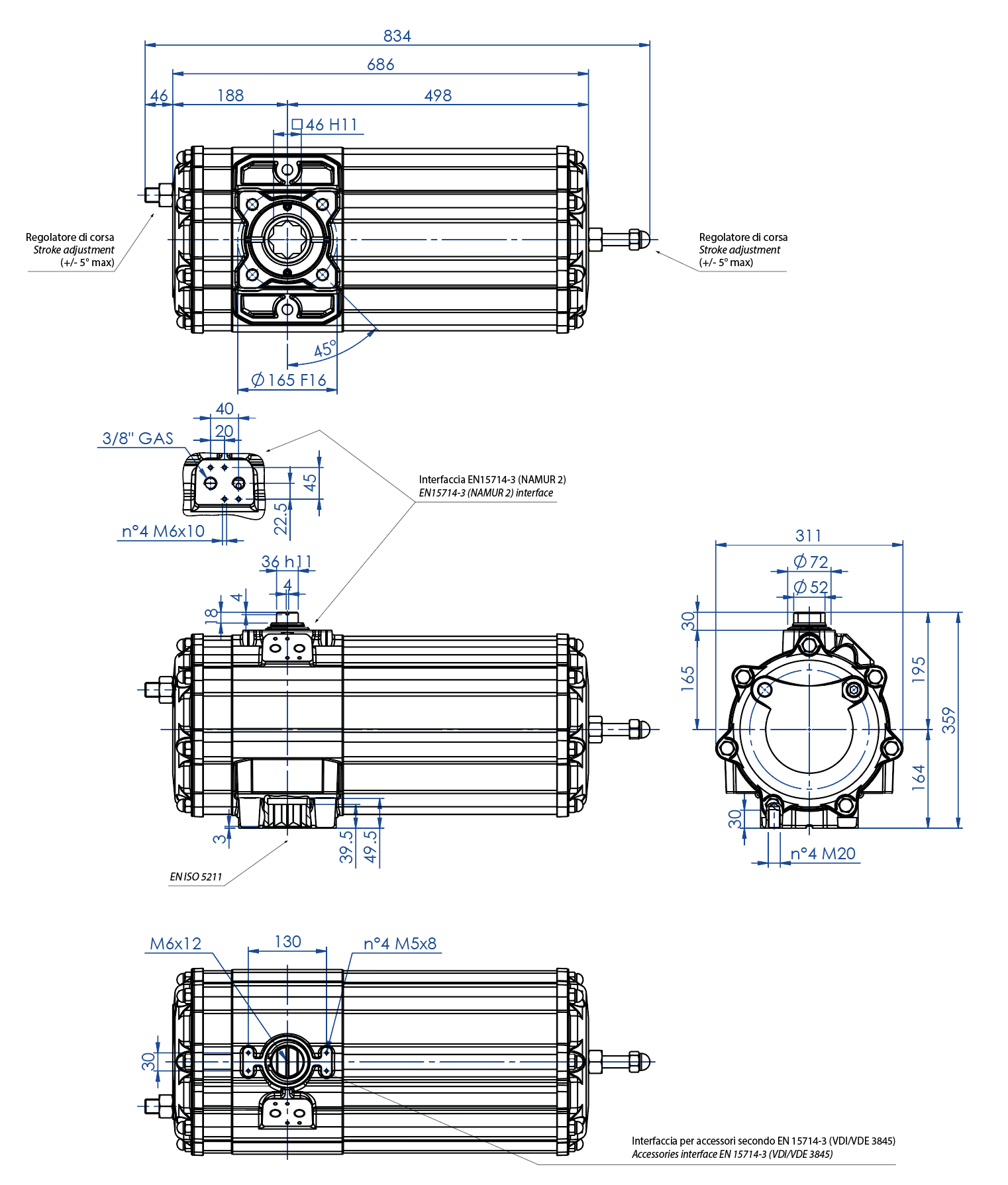
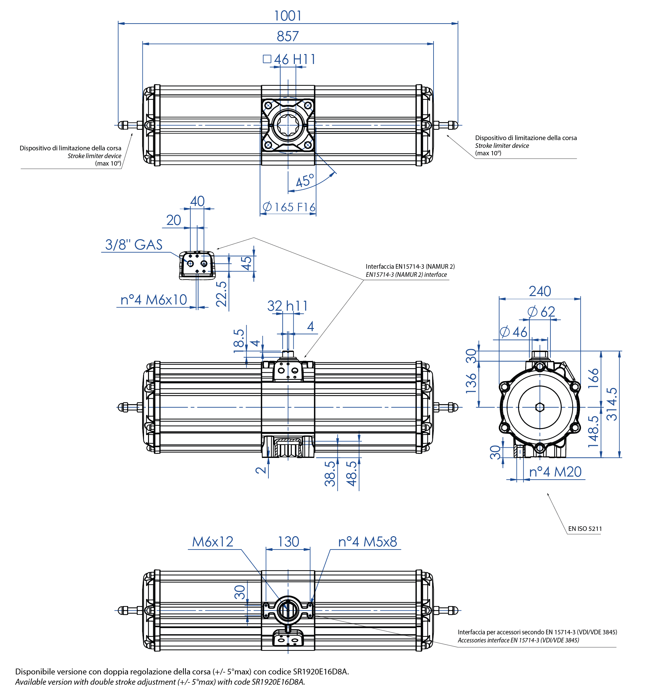
技術特性表
扭矩從15Nm到4000Nm。
根據歐洲標準化組織5211安裝法蘭
F03-F04-F05-F07-F10-F12-F14-F16-F25。
符合歐洲標準15714-3
旋轉角度:92°(-1°,+91°)
扭矩:盡管有空氣供應,返回扭矩僅取決于彈簧作用。彈簧有四種不同的尺寸(見表)。
字母SR后的代碼編號對應于5.6bar的空氣供應的分離扭矩,單位為Nm。
ATEX版本符合指令2014/34/歐盟。請在ATEX版本的代碼末尾添加YX。
使用狀態
溫度:從0℃到+80℃;僅在干燥空氣下從-20℃到+80℃。(特殊版本:高溫:-20℃+150℃;低溫:-50℃+60℃)
空氣供應:5.6bar;最大8.4bar。
驅動介質:過濾的干燥壓縮空氣,不需要潤滑。
如果是潤滑空氣,須使用非洗滌劑油或丁腈橡膠兼容油。
產品資料