
一般特征:
OMAL蝶形閥的設計和制造適用于所有工業領域的大多數應用,適用于DN 40至DN 600(凸耳DN 300)的對夾式或凸耳式;
-符合UNI EN593的一般要求
-根據EN 12266-1等級A,16Bar時的密封性
-整體密封(在硬環上硫化襯里),避免流體與閥體之間的任何接觸。
-密封設計允許完美地粘附在閥體上,并完全密封法蘭,無需額外的零件。法蘭之間的夾緊不會影響閥門的扭矩。
-研磨盤邊緣,使襯墊具有更好的密封性、更低的扭矩和較低的磨損。
-用于支撐軸的襯套。
-所有部件經過適當的防腐處理。
標準執行:
?標準法蘭:
PN 10-PN 16-ANSI 150,從DN 40到DN 300。
PN 10,從DN 350到DN 600。
?符合UNI EN593的一般要求
?符合EN 558系列20的面對面
?符合ISO 5211(DN40-DN300)的閥頭
?密封性符合EN 12266-1 A級
?根據要求進行的其他測試。
?介質工作溫度:
三元乙丙橡膠:從-25°C到+135°C;
NBR:從-23°C到+82°C;
FKM:從-10°C到+190°C(DN40-DN300);
聚四氟乙烯(在EPDM芯上):從-25°C到+150°C(DN40-DN300)。
?對夾法蘭間承受的工作壓力:
DN 40至DN 300的PN 16 bar
DN 350至DN 600的PN 10 bar
?環氧涂層厚度:160÷200μ。RAL:5015。
根據要求:
?特殊襯里的工作溫度:
硅酮:從-25°C到+160°C;
NBR羧基:從-10°C到+82°C;
食品用NBR白色:從-23°C到+82°C;
hnbr:從-20°C到+120°C
?如需其他申請,請聯系我們的銷售部門。
認證:
?根據2014/68/EU“PED”。
?氣體的DVGW認證(V376)。
?RINA認證。
?符合意大利D.M.N°174,適用于飲用水和消化液(V376)。
?符合歐洲指令2014/34/EU的ATEX版本。
?根據要求提供ATEX證書。
Item 375
主體:鑄鐵
蝶形:鑄鐵
襯里:見表
Item 376
主體:鑄鐵
蝶形:CF8M(316 S.S.)
襯里:見表
Item 377
主體:鑄鐵
蝴蝶:青銅鋁
襯里:見表
產品資料
2-12-2-ITEM375-376-377ITEM385-386-387.pdf

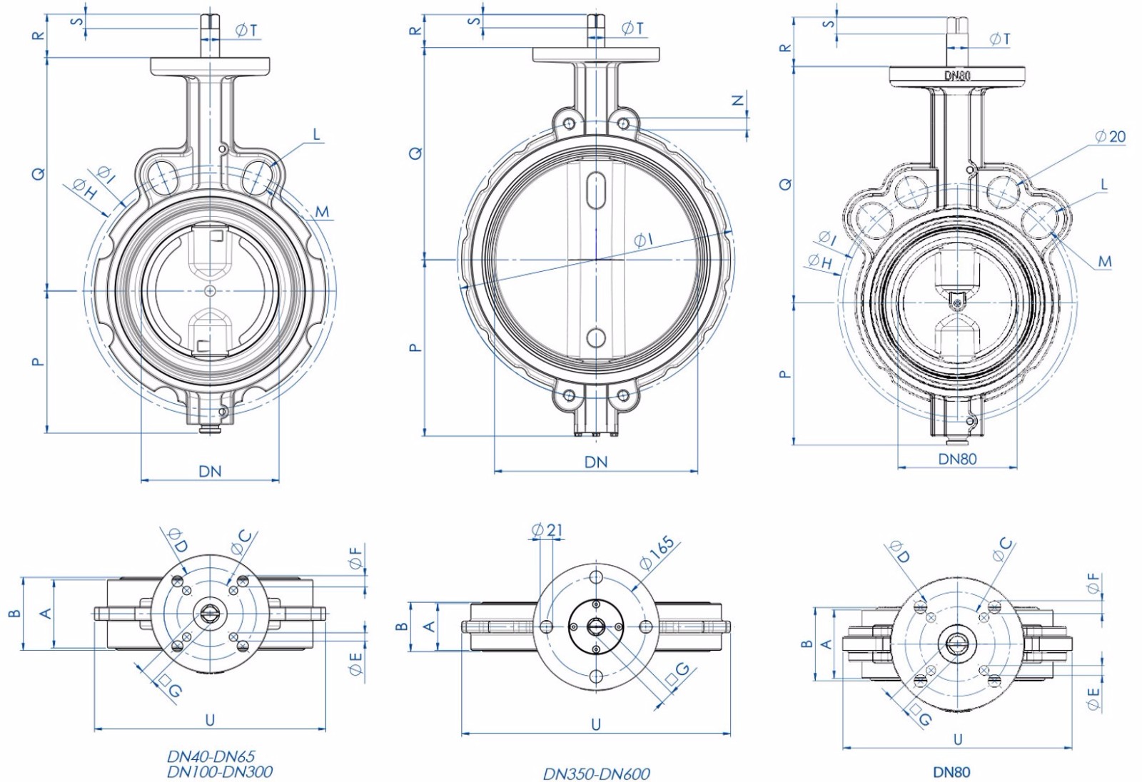
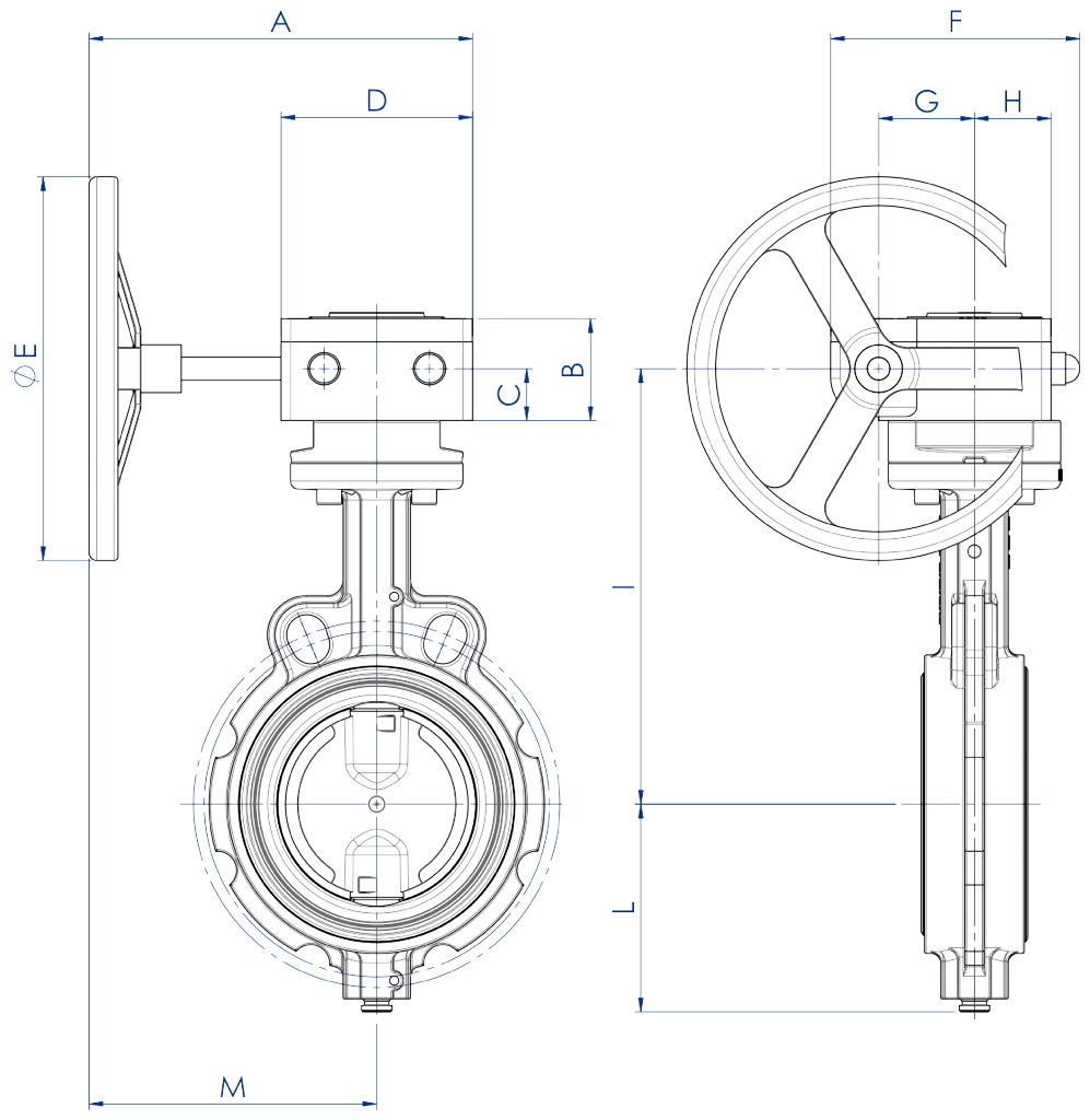
| DIMENSIONS | ||||||||||||||||||||||
| SIZE | A | B | ?C | ?D | ?E | ?F | □G | □G’ | ?H | ?I | L | M | N | P | Q | R | R’ | S | S’ | ?T | U | |
| DN [mm] | [inch] | |||||||||||||||||||||
| DN 40 | 1"1/2 | 33 | 36 | 50 | 70 | 6,5 | 8,5 | 9 | 110 | 98,5 | R10 | R9 | 70 | 125 | 31 | 9 | 14,2 | 116 | ||||
| DN 50 | 2" | 43 | 46 | 50 | 70 | 6,5 | 8,5 | 9 | 125 | 121 | R10 | R10,5 | 80 | 140 | 31 | 9 | 14,2 | 128 | ||||
| DN 65 | 2"1/2 | 46 | 49 | 50 | 70 | 6,5 | 8,5 | 11 | 145 | 140 | R10 | R10,5 | 86 | 152 | 33 | 11 | 14,2 | 143 | ||||
| DN 80 | 3" | 46 | 49 | 50 | 70 | 6,5 | 8,5 | 11 | 160 | 153 | R10 | R10,5 | 95,5 | 159 | 33 | 11 | 14,2 | 153 | ||||
| DN 100 | 4" | 52 | 56 | 50 | 70 | 6,5 | 8,5 | 11 | 191 | 180 | R10,5 | R10 | 108 | 178 | 33 | 11 | 14,2 | 175 | ||||
| DN 125 | 5" | 56 | 59 | 70 | 8,5 | 14 | 216 | 210 | R12,5 | R10 | 124,5 | 190,5 | 36 | 14 | 19 | 197 | ||||||
| DN 150 | 6" | 56 | 59 | 70 | 8,5 | 14 | 242 | 240 | R12,5 | R12 | 137 | 203 | 36 | 14 | 19 | 222 | ||||||
| DN 200 | 8" | 60 | 64 | 70 | 8,5 | 17 | 299 | 295 | R12,5 | R12 | 166 | 238 | 39 | 17 | 22,2 | 279 | ||||||
| DN 250 | 10" | 68 | 72 | 102 | 125 | 11 | 13 | 22 | 362 | 350 | R14 | R13,5 | 199 | 268 | 55 | 22 | 28,5 | 340 | ||||
| DN 300 | 12" | 78 | 81,5 | 102 | 125 | 11 | 13 | 22 | 432 | 400 | R14 | R13,5 | 234 | 306 | 55 | 22 | 28,5 | 410 | ||||
| DN 350 | 14" | 78 | 82 | 22 | 460 | M20 | 293 | 352 | 55 | 22 | 28,5 | 446 | ||||||||||
| DN 400 | 16" | 102 | 105 | 27 | 515 | M24 | 325 | 388 | 60 | 27 | 36,5 | 508 | ||||||||||
| DN 450 | 18" | 114 | 118 | 27 | 565 | M24 | 348 | 415 | 60 | 27 | 36,5 | 543 | ||||||||||
| DN 500 | 20" | 127 | 130,5 | 36 | 620 | M24 | 386,5 | 441 | 70 | 36 | 48,5 | 600 | ||||||||||
| DN 600 | 24" | 154 | 158 | 36 | 725 | M27 | 447,5 | 505 | 70 | 36 | 48,5 | 718 | ||||||||||
