
一般特征:
閥門由316L不銹鋼制造。
符合歐洲標準1092-1的法蘭
帶4個球座的閥門。從三個末端的任何一個入口;
工作溫度:從-20℃到+150℃
工作壓力:見表。
流體范圍:空氣、水、食品工業。
表面處理:拋光。
閥門頭符合國際標準化組織5211規范。
手動版本(帶杠桿)沒有國際標準化組織5211的頂部工作,因此不可能安裝任何類型的致動器
應要求:
法蘭:鍍鋅-ASME b 16.5 150,300級。
密封件由以下材料制成:
聚四氟乙烯玻璃填充,
聚四氟乙烯和碳石墨,
高分子量聚乙烯。
對于其他應用,請聯系我們的技術部門。
認證:
符合歐洲指令2014/34/歐盟的ATEX版本。
應要求提供ATEX證書。
產品資料
意大利 歐瑪爾(OMAL.S.P.A.)自控閥門公司,是集設計與制造為一體的自主研發型閥門制造公司,在 執行器和自控閥門的設計和制造方面有著30年的經驗。OMAL(歐瑪爾)自控閥門公司系出名門,由意大利知名工業企業BONOMI集團傳人BONOMI-OMAL先生于1981年創立,并于當年推出具有劃時代意義的“單氣缸雙活塞-撥叉式變扭矩” 氣動執行器,榮獲多項專利,具備“小體積-大扭矩”的突出特點,使控制更為可靠方便。依托優異的品質和先進的技術,OMAL(歐瑪爾)迅速成長為歐洲撥叉式氣動執行器供應商,為客戶提供更為專業的自控服務。1990年,OMAL(歐瑪爾)相繼推出自控球閥、自控蝶閥、自控 角座閥等多品種全型號自控閥門,1998年,OMAL(歐瑪爾)VIP梭閥榮獲歐洲工業設計金獎。憑借著對技術與品質的執著追求,OMAL執行器和自控閥門已處于歐洲領先地位,也由最初的專業執行器制造商,成長為歐洲著名的自控閥門公司。對品質的嚴格要求和對技術的不斷創新,是OMAL產品領先世界的重要原因。OMAL自控閥門產品覆蓋所有的工業領域,能滿足各種嚴酷惡劣的條件及高標準用戶的要求,其產品有:球閥、蝶閥、角座閥、梭閥以及執行器等。
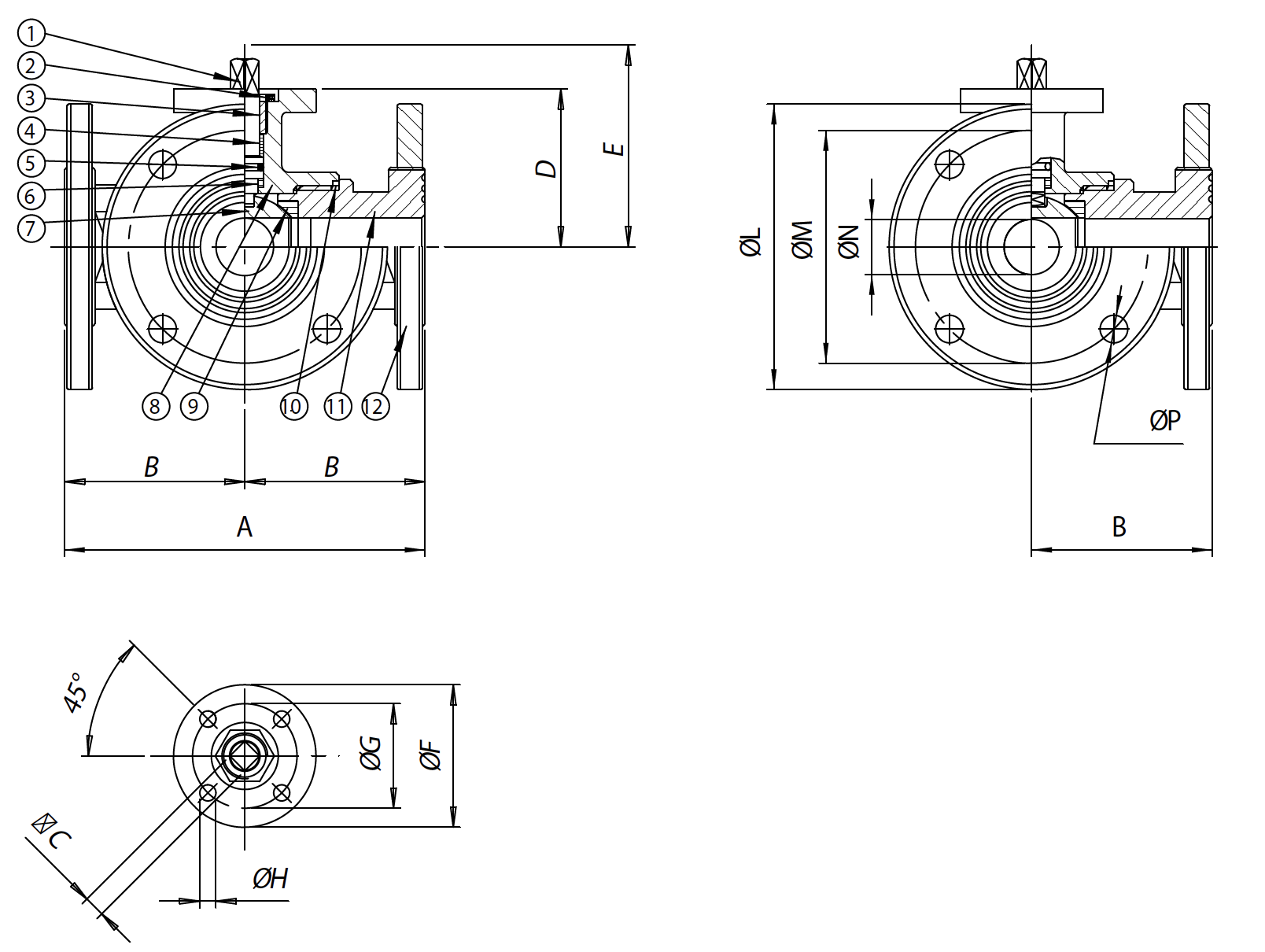
DIMENSIONS | |||||||||||||
SIZE | A | B | □C | D | E | ?F | ?G | ?H | ?L | ?M | ?N | ?P | |
| DN [mm] | [inch] | ||||||||||||
| DN 10 | 3/8" | 120 | 60 | 6 | 46,5 | 54,5 | 46 | 36 | 6 | 90 | 60 | 10 | 14 |
| DN 15 | 1/2" | 130 | 65 | 6 | 49 | 57 | 54 | 42 | 6 | 95 | 65 | 15 | 14 |
| DN 20 | 3/4" | 140 | 70 | 9 | 56,5 | 69,5 | 65 | 50 | 7 | 105 | 75 | 20 | 14 |
| DN 25 | 1" | 150 | 75 | 9 | 61 | 74 | 65 | 50 | 7 | 115 | 85 | 25 | 14 |
| DN 32 | 1" 1/4 | 180 | 90 | 14 | 81,5 | 94,5 | 65 | 50 | 7 | 140 | 100 | 32 | 18 |
| DN 40 | 1" 1/2 | 200 | 100 | 14 | 89 | 102 | 90 | 70 | 9 | 150 | 110 | 40 | 18 |
| DN 50 | 2" | 220 | 110 | 17 | 91,5 | 106,5 | 90 | 70 | 9 | 165 | 125 | 50 | 18 |
| DN 65 | 2" 1/2 | 240 | 120 | 17 | 101,5 | 116,5 | 125 | 102 | 11 | 185 | 145 | 65 | 18 |
| DN 80 | 3" | 260 | 130 | 17 | 116 | 134 | 125 | 102 | 11 | 200 | 160 | 80 | 18 |
| DN 100 | 4" | 300 | 150 | 17 | 131 | 149 | 125 | 102 | 11 | 220 | 180 | 100 | 18 |

MISURA SIZE | ARTICOLO | ATTUATORE | KIT montaggio | L [mm] | H [mm] | Kg | ATEX | |
DN [mm] | [inch] | ITEM CODE | ACTUATOR | Mounting KIT | ||||
DN 10 | 3/8" | DG46*H063 | DAN0015411S | KCF045293 | 159,0 | 118,7 | 3,4 | DG46*H063YX |
DN 15 | 1/2" | DG46*H064 | DAN0030412S | KCF045293 | 174,2 | 128,2 | 3,9 | DG46*H064YX |
DN 20 | 3/4" | DG46*H065 | DAN0045412S | KCF045294 | 188,5 | 141,0 | 6,1 | DG46*H065YX |
DN 25 | 1" | DG46*H066 | DAN0045412S | KCF045294 | 188,5 | 145,5 | 7,8 | DG46*H066YX |
DN 32 | 1" 1/4 | DG46*H067 | DAN0060412S | KCF055296 | 198,0 | 171,9 | 12,4 | DG46*H067YX |
DN 40 | 1" 1/2 | DG46*H068 | DAN0106411S | KCF075304 | 237,0 | 192,3 | 16,6 | DG46*H068YX |
DN 50 | 2" | DG46*H069 | DAN0120411S | KCF075298 | 244,1 | 198,5 | 21,1 | DG46*H069YX |
DN 65 | 2" 1/2 | DG46*H070 | DAN0240411S | KCF105300 | 313,6 | 242,6 | 27,7 | DG46*H070YX |
DN 80 | 3" | DG46*H071 | DAN0360411S | KCF105300 | 339,3 | 264,0 | 39,6 | DG46*H071YX |
DN 100 | 4" | DG46*H072 | DAN0480411S | KCF125301 | 387,6 | 295,9 | 57,7 | DG46*H072YX |
MISURA SIZE | ARTICOLO | ATTUATORE | KIT montaggio | L [mm] | H [mm] | Kg | ATEX | |
DN [mm] | [inch] | ITEM CODE | ACTUATOR | Mounting KIT | ||||
DN 10 | 3/8" | SG46*H063 | SRN0015401S | KCF045293 | 233,2 | 125,7 | 3,9 | SG46*H063YX |
DN 15 | 1/2" | SG46*H064 | SRN0030401S | KCF055302 | 258,8 | 139,4 | 4,5 | SG46*H064YX |
DN 20 | 3/4" | SG46*H065 | SRN0053401S | KCF075303 | 304,2 | 159,8 | 7,4 | SG46*H065YX |
DN 25 | 1" | SG46*H066 | SRN0053401S | KCF075303 | 304,2 | 164,3 | 9,6 | SG46*H066YX |
DN 32 | 1" 1/4 | SG46*H067 | SRN0060401S | KCF075297 | 338,5 | 188,5 | 13,8 | SG46*H067YX |
DN 40 | 1" 1/2 | SG46*H068 | SRN0090401S | KCF105305 | 393,7 | 226,5 | 20,0 | SG46*H068YX |
DN 50 | 2" | SG46*H069 | SRN0120401S | KCF105299 | 409,6 | 232,6 | 24,5 | SG46*H069YX |
DN 65 | 2" 1/2 | SG46*H070 | SRN0240401S | KCF125301 | 520,5 | 266,5 | 35,1 | SG46*H070YX |
DN 80 | 3" | SG46*H071 | SRN0360401S | KCF125301 | 613,0 | 294,0 | 51,6 | SG46*H071YX |
DN 100 | 4" | SG46*H072 | SRN0480401S | KCF145306 | 648,2 | 329,0 | 62,3 | SG46*H072YX |