
一般特征:
閥門只能用作轉向閥,進口只能來自中央通道;
閥門由316L不銹鋼制造。
工作溫度:從-20℃到+150℃
工作壓力:見表。
流體范圍:空氣、水、氣體、油、石油和石化產品、腐蝕性介質。
符合國際標準化組織228規范的內螺紋端。
閥門頭符合國際標準化組織5211規范。
應要求:
密封件由以下材料制成:
聚四氟乙烯玻璃填充,
聚四氟乙烯和碳石墨,
高分子量聚乙烯。
對于其他應用,請聯系我們的銷售部門。
認證:
符合歐洲指令2014/34/歐盟的ATEX版本。
ATEX證書
產品資料
意大利 歐瑪爾(OMAL.S.P.A.)自控閥門公司,是集設計與制造為一體的自主研發型閥門制造公司,在 執行器和自控閥門的設計和制造方面有著30年的經驗。OMAL(歐瑪爾)自控閥門公司系出名門,由意大利知名工業企業BONOMI集團傳人BONOMI-OMAL先生于1981年創立,并于當年推出具有劃時代意義的“單氣缸雙活塞-撥叉式變扭矩” 氣動執行器,榮獲多項專利,具備“小體積-大扭矩”的突出特點,使控制更為可靠方便。依托優異的品質和先進的技術,OMAL(歐瑪爾)迅速成長為歐洲撥叉式氣動執行器供應商,為客戶提供更為專業的自控服務。1990年,OMAL(歐瑪爾)相繼推出自控球閥、自控蝶閥、自控 角座閥等多品種全型號自控閥門,1998年,OMAL(歐瑪爾)VIP梭閥榮獲歐洲工業設計金獎。憑借著對技術與品質的執著追求,OMAL執行器和自控閥門已處于歐洲領先地位,也由最初的專業執行器制造商,成長為歐洲著名的自控閥門公司。對品質的嚴格要求和對技術的不斷創新,是OMAL產品領先世界的重要原因。OMAL自控閥門產品覆蓋所有的工業領域,能滿足各種嚴酷惡劣的條件及高標準用戶的要求,其產品有:球閥、蝶閥、角座閥、梭閥以及執行器等。

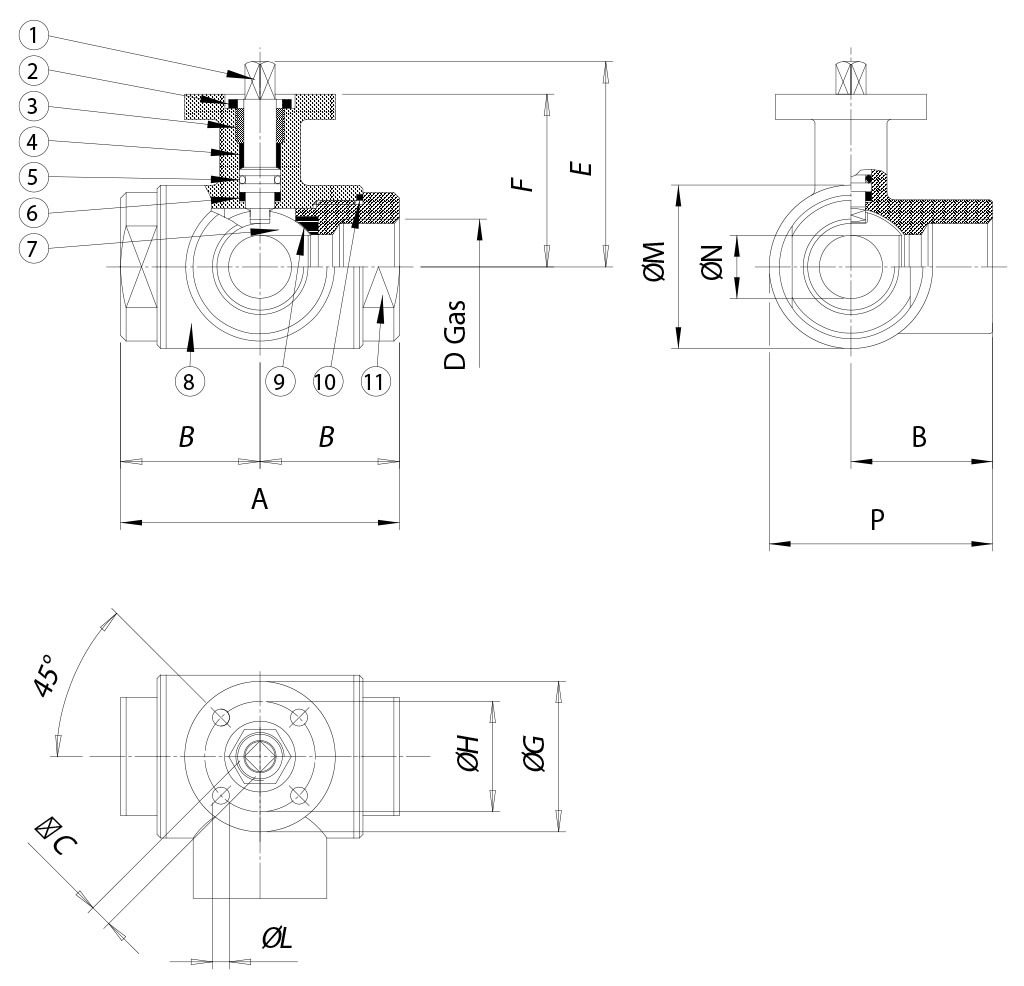
DIMENSIONS | |||||||||||||
SIZE | A | B | □C | D | E | F | ?G | ?H | ?L | ?M | ?N | P | |
| DN [mm] | [inch] | ||||||||||||
| DN 10 | 3/8" | 72 | 36 | 6 | 3/8” | 54 | 46 | 46 | 36 | 6 | 35 | 10 | 53,5 |
| DN 15 | 1/2" | 82 | 41 | 6 | 1/2” | 57 | 49 | 46 | 36 | 6 | 42 | 15 | 62 |
| DN 20 | 3/4" | 92 | 46 | 9 | 3/4” | 69,5 | 56,5 | 65 | 36 | 7 | 52 | 20 | 72 |
| DN 25 | 1" | 102 | 51 | 9 | 1” | 74 | 61 | 65 | 50 | 7 | 60 | 25 | 81 |
| DN 32 | 1" 1/4 | 118 | 59 | 14 | 1" 1/4 | 94,5 | 81,5 | 65 | 50 | 7 | 72,5 | 32 | 95,3 |
| DN 40 | 1" 1/2 | 134 | 67 | 14 | 1" 1/2 | 102 | 89 | 65 | 50 | 7 | 88 | 40 | 111 |
| DN 50 | 2" | 144 | 72 | 17 | 2” | 106,5 | 91,5 | 65 | 70 | 9 | 101,5 | 50 | 122,8 |
| DN 65 | 2" 1/2 | 160 | 80 | 17 | 2" 1/2 | 116,5 | 101,5 | 90 | 70 | 9 | 121 | 65 | 140,5 |
| DN 80 | 3" | 200 | 100 | 17 | 3” | 131 | 116 | 125 | 102 | 11 | 150 | 80 | 175 |
| DN 100 | 4" | 240 | 120 | 17 | 4” | 146 | 131 | 125 | 102 | 11 | 182 | 100 | 211 |

MISURA SIZE | ARTICOLO | ATTUATORE | KIT montaggio | L [mm] | H [mm] | Kg | ATEX | |
DN [mm] | [inch] | ITEM CODE | ACTUATOR | Mounting KIT | ||||
DN 10 | 3/8" | DG448H003 | DAN0015411S | KCF045293 | 159,0 | 118,2 | 1,3 | DG448H003YX |
DN 15 | 1/2" | DG448H004 | DAN0015411S | KCF045293 | 159,0 | 121,2 | 1,5 | DG448H004YX |
DN 20 | 3/4" | DG448H005 | DAN0030411S | KCF045294 | 174,2 | 135,7 | 2,7 | DG448H005YX |
DN 25 | 1" | DG448H006 | DAN0030411S | KCF045294 | 174,2 | 140,2 | 3,1 | DG448H006YX |
DN 32 | 1" 1/4 | DG448H007 | DAN0060412S | KCF055296 | 198,0 | 171,9 | 4,7 | DG448H007YX |
DN 40 | 1" 1/2 | DG448H008 | DAN0060412S | KCF055296 | 198,0 | 179,4 | 6,7 | DG448H008YX |
DN 50 | 2" | DG448H009 | DAN0106411S | KCF075298 | 237,0 | 194,8 | 9,1 | DG448H009YX |
DN 65 | 2" 1/2 | DG448H010 | DAN0120411S | KCF075298 | 244,1 | 208,5 | 11,8 | DG448H010YX |
DN 80 | 3" | DG448H011 | DAN0240411S | KCF105300 | 313,6 | 257,1 | 22,4 | DG448H011YX |
DN 100 | 4" | DG448H012 | DAN0360411S | KCF105300 | 339,3 | 279,0 | 34,2 | DG448H012YX |
MISURA SIZE | ARTICOLO | ATTUATORE | KIT montaggio | L [mm] | H [mm] | Kg | ATEX | |
DN [mm] | [inch] | ITEM CODE | ACTUATOR | Mounting KIT | ||||
DN 10 | 3/8" | SG448H003 | SRN0015401S | KCF045293 | 233,2 | 125,2 | 1,7 | SG448H003YX |
DN 15 | 1/2" | SG448H004 | SRN0015401S | KCF045293 | 233,2 | 128,2 | 1,9 | SG448H004YX |
DN 20 | 3/4" | SG448H005 | SRN0030402S | KCF055295 | 258,8 | 146,9 | 3,4 | SG448H005YX |
DN 25 | 1" | SG448H006 | SRN0030402S | KCF055295 | 258,8 | 151,4 | 3,8 | SG448H006YX |
DN 32 | 1" 1/4 | SG448H007 | SRN0053401S | KCF075297 | 304,2 | 184,8 | 6,1 | SG448H007YX |
DN 40 | 1" 1/2 | SG448H008 | SRN0060401S | KCF075297 | 338,5 | 196,0 | 8,2 | SG448H008YX |
DN 50 | 2" | SG448H009 | SRN0090401S | KCF105299 | 393,7 | 229,0 | 11,6 | SG448H009YX |
DN 65 | 2" 1/2 | SG448H010 | SRN0120401S | KCF105299 | 409,6 | 242,6 | 15,3 | SG448H010YX |
DN 80 | 3" | SG448H011 | SRN0240401S | KCF125301 | 520,5 | 281,0 | 28,2 | SG448H011YX |
DN 100 | 4" | SG448H012 | SRN0360401S | KCF125301 | 613,0 | 309,0 | 45,6 | SG448H012YX |