
一般特征:
三件式制造,便于需要頻繁維護的工廠更換。
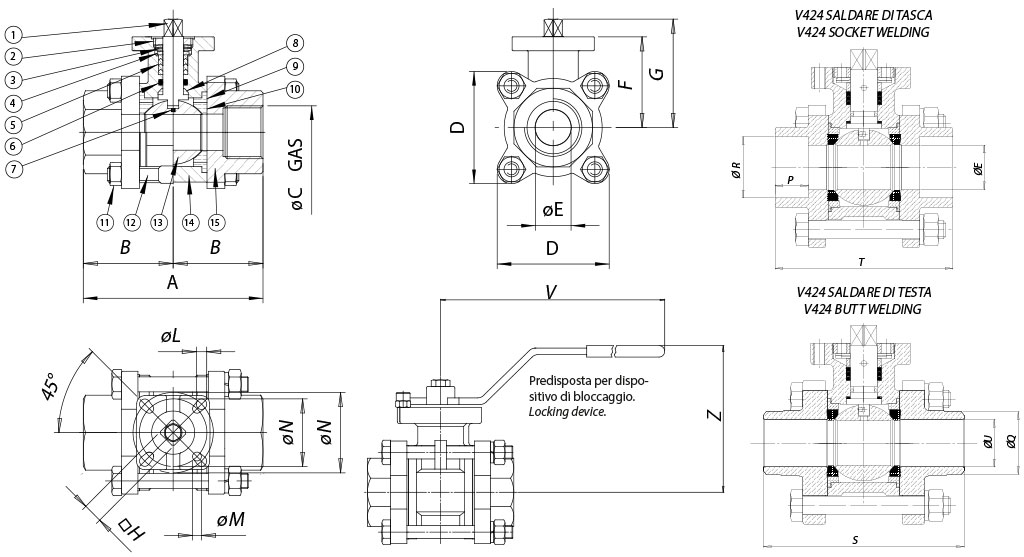
端部:內螺紋符合EN 10226-1 Rp(Ex ISO 7/1);承插焊接;對焊。
標準密封件:聚四氟乙烯。
工作溫度:從-20℃到+180℃(見圖表)
工作壓力:見圖表。
流體范圍:空氣、水、氣體、石油和石化產品、腐蝕性介質。
閥門頭符合國際標準化組織5211規范。
杠桿式集成鎖定裝置。
應要求:
密封件由以下材料制成:
RPTFE (15%玻璃填充)
CTFE (25%碳填充)
TFM 1600。
對于其他應用,請聯系我們的銷售部門。
認證:
符合歐洲指令2014/34/歐盟的ATEX版本。
應要求提供ATEX證書。
符合歐洲指令2014/68/歐盟PED。
產品資料
意大利 歐瑪爾(OMAL.S.P.A.)自控閥門公司,是集設計與制造為一體的自主研發型閥門制造公司,在 執行器和自控閥門的設計和制造方面有著30年的經驗。OMAL(歐瑪爾)自控閥門公司系出名門,由意大利知名工業企業BONOMI集團傳人BONOMI-OMAL先生于1981年創立,并于當年推出具有劃時代意義的“單氣缸雙活塞-撥叉式變扭矩” 氣動執行器,榮獲多項專利,具備“小體積-大扭矩”的突出特點,使控制更為可靠方便。依托優異的品質和先進的技術,OMAL(歐瑪爾)迅速成長為歐洲撥叉式氣動執行器供應商,為客戶提供更為專業的自控服務。1990年,OMAL(歐瑪爾)相繼推出自控球閥、自控蝶閥、自控 角座閥等多品種全型號自控閥門,1998年,OMAL(歐瑪爾)VIP梭閥榮獲歐洲工業設計金獎。憑借著對技術與品質的執著追求,OMAL執行器和自控閥門已處于歐洲領先地位,也由最初的專業執行器制造商,成長為歐洲著名的自控閥門公司。對品質的嚴格要求和對技術的不斷創新,是OMAL產品領先世界的重要原因。OMAL自控閥門產品覆蓋所有的工業領域,能滿足各種嚴酷惡劣的條件及高標準用戶的要求,其產品有:球閥、蝶閥、角座閥、梭閥以及執行器等。

DIMENSIONS | ||||||||||||||||||||
SIZE | A | B | ?C | D | ?E | F | G | □H | ?L | ?M | ?N | P | ?Q | ?R | S | T | ?U | V | Z | |
| DN [mm] | [inch] | |||||||||||||||||||
| DN 8 | 1/4" | 65 | 32,5 | 1/4” | 48,8 | 11,5 | 42 | 49 | 9 | 6 | 6 | 36-42 | 13 | 14,8 | 14,3 | 70 | 65 | 7,7 | 150 | 78,5 |
| DN 10 | 3/8" | 65 | 32,5 | 3/8” | 48,8 | 12,6 | 42 | 49 | 9 | 6 | 6 | 36-42 | 13 | 18,5 | 17,7 | 70 | 65 | 10,8 | 150 | 78,5 |
| DN 15 | 1/2" | 75 | 37,5 | 1/2” | 48,8 | 15 | 42 | 49 | 9 | 6 | 6 | 36-42 | 16 | 21 | 22 | 75 | 75 | 13,8 | 150 | 78,5 |
| DN 20 | 3/4" | 80 | 40 | 3/4” | 50,3 | 20 | 45 | 53 | 9 | 6 | 6 | 36-42 | 16 | 28,3 | 27,5 | 90 | 80 | 18,9 | 150 | 82,5 |
| DN 25 | 1" | 90 | 45 | 1” | 64 | 25,4 | 52 | 61 | 9 | 7 | 6 | 42-50 | 17 | 35,5 | 34,3 | 100 | 90 | 24,3 | 200 | 88,5 |
| DN 32 | 1" 1/4 | 110 | 55 | 1" 1/4 | 73,4 | 32 | 57 | 66 | 9 | 7 | 6 | 42-50 | 20 | 43,7 | 43 | 110 | 110 | 32,5 | 200 | 93,5 |
| DN 40 | 1" 1/2 | 120 | 60 | 1" 1/2 | 82 | 38 | 68 | 79 | 11 | 9 | 7 | 50-70 | 20 | 49,6 | 49 | 125 | 120 | 38,1 | 250 | 106,5 |
| DN 50 | 2" | 140 | 70 | 2” | 94,3 | 50,8 | 77 | 88 | 11 | 9 | 7 | 50-70 | 22 | 63 | 61,4 | 150 | 140 | 49,2 | 250 | 115,5 |
| DN 65 | 2"1/2 | 185 | 92,5 | 2" 1/2 | 165 | 65 | 100 | 114 | 14 | 11 | 9 | 70-102 | 33 | 77,5 | 77,2 | 190 | 185 | 59 | 300 | 141,5 |
| DN 80 | 3" | 205 | 102,5 | 3” | 190 | 80 | 111 | 128 | 17 | 11 | 9 | 70-102 | 34,8 | 90,7 | 90 | 220 | 205 | 73,7 | 300 | 155,5 |
| DN 100 | 4" | 240 | 120 | 4” | 240 | 100 | 138 | 160 | 22 | 13 | 11 | 102-125 | 41 | 115,4 | 115,4 | 270 | 240 | 97,1 | 400 | 183,5 |

MISURA SIZE | ARTICOLO | ATTUATORE | KIT montaggio | L [mm] | H [mm] | Kg | ATEX | |
DN [mm] | [inch] | ITEM CODE | ACTUATOR | Mounting KIT | ||||
DN 8 | 1/4" | DG424H*2 | DAN0015411S | KCF042649 | 159,0 | 116,8 | 1,3 | DG424H*2YX |
DN 10 | 3/8" | DG424H*3 | DAN0015411S | KCF042649 | 159,0 | 116,8 | 1,3 | DG424H*3YX |
DN 15 | 1/2" | DG424H*4 | DAN0015411S | KCF042649 | 159,0 | 116,8 | 1,4 | DG424H*4YX |
DN 20 | 3/4" | DG424H*5 | DAN0015411S | KCF042649 | 159,0 | 119,8 | 1,5 | DG424H*5YX |
DN 25 | 1" | DG424H*6 | DAN0030411S | KCF042454 | 174,2 | 132,8 | 2,5 | DG424H*6YX |
DN 32 | 1" 1/4 | DG424H*7 | DAN0030411S | KCF042454 | 174,2 | 137,8 | 2,9 | DG424H*7YX |
DN 40 | 1" 1/2 | DG424H*8 | DAN0045412S | KCF042455 | 188,5 | 154,8 | 4,3 | DG424H*8YX |
DN 50 | 2" | DG424H*9 | DAN0060412S | KCF052456 | 198,0 | 169,0 | 5,7 | DG424H*9YX |
DN 65 | 2" 1/2 | DG424H410 | DAN0120411S | KCF073288 | 244,1 | 208,6 | 12,3 | DG424H410YX |
DN 80 | 3" | DG424H411 | DAN0240411S | KCF102734 | 313,6 | 254,7 | 17,6 | DG424H411YX |
DN 100 | 4" | DG424H412 | DAN0360411S | KCF105285 | 339,3 | 292,0 | 27,3 | DG424H412YX |
MISURA SIZE | ARTICOLO | ATTUATORE | KIT montaggio | L [mm] | H [mm] | Kg | ATEX | |
DN [mm] | [inch] | ITEM CODE | ACTUATOR | Mounting KIT | ||||
DN 8 | 1/4" | SG424H*2 | SRN0015401S | KCF042649 | 233,2 | 122,8 | 1,7 | SG424H*2YX |
DN 10 | 3/8" | SG424H*3 | SRN0015401S | KCF042649 | 233,2 | 122,8 | 1,7 | SG424H*3YX |
DN 15 | 1/2" | SG424H*4 | SRN0015401S | KCF042649 | 233,2 | 122,8 | 1,8 | SG424H*4YX |
DN 20 | 3/4" | SG424H*5 | SRN0015401S | KCF042649 | 233,2 | 125,8 | 1,9 | SG424H*5YX |
DN 25 | 1" | SG424H*6 | SRN0030402S | KCF052731 | 258,8 | 144,0 | 3,2 | SG424H*6YX |
DN 32 | 1" 1/4 | SG424H*7 | SRN0030402S | KCF052731 | 258,8 | 150,0 | 3,6 | SG424H*7YX |
DN 40 | 1" 1/2 | SG424H*8 | SRN0053401S | KCF072732 | 304,2 | 174,8 | 6,0 | SG424H*8YX |
DN 50 | 2" | SG424H*9 | SRN0060401S | KCF072732 | 338,5 | 187,6 | 7,2 | SG424H*9YX |
DN 65 | 2" 1/2 | SG424H410 | SRN0120401S | KCF105284 | 409,6 | 242,7 | 16,6 | SG424H410YX |
DN 80 | 3" | SG424H411 | SRN0240401S | KCF122735 | 520,5 | 279,0 | 24,3 | SG424H411YX |
DN 100 | 4" | SG424H412 | SRN0360401S | KCF125286 | 613,0 | 322,0 | 34,6 | SG424H412YX |