
一般特征:
閥門由316L不銹鋼制造。
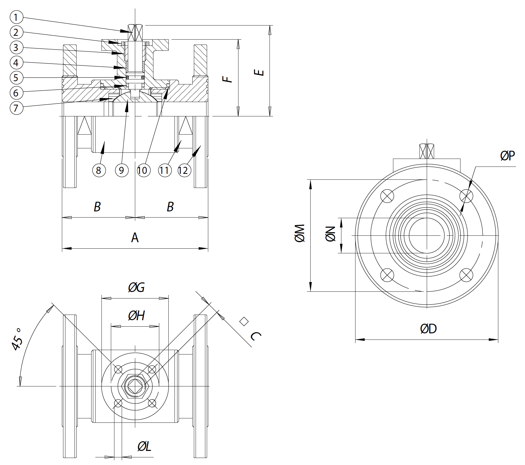
法蘭符合:EN 1092-1;尺寸符合德國工業標準3202-F4;根據UNI PN 16轉動螺紋法蘭。
工作溫度:從-20℃到+150℃
工作壓力:見表。
流體系列:食品工業。
符合國際標準化組織5211規范。
應要求:
鍍鋅法蘭
ASME B16.5,300級法蘭。
密封件由以下材料制成:填充聚四氟乙烯玻璃、碳石墨聚四氟乙烯、高分子量聚乙烯。
對于其他應用,請聯系我們的銷售部門。
認證:
符合歐洲指令2014/34/歐盟的ATEX版本。
應要求提供ATEX證書
產品資料
意大利 歐瑪爾(OMAL.S.P.A.)自控閥門公司,是集設計與制造為一體的自主研發型閥門制造公司,在 執行器和自控閥門的設計和制造方面有著30年的經驗。OMAL(歐瑪爾)自控閥門公司系出名門,由意大利知名工業企業BONOMI集團傳人BONOMI-OMAL先生于1981年創立,并于當年推出具有劃時代意義的“單氣缸雙活塞-撥叉式變扭矩” 氣動執行器,榮獲多項專利,具備“小體積-大扭矩”的突出特點,使控制更為可靠方便。依托優異的品質和先進的技術,OMAL(歐瑪爾)迅速成長為歐洲撥叉式氣動執行器供應商,為客戶提供更為專業的自控服務。1990年,OMAL(歐瑪爾)相繼推出自控球閥、自控蝶閥、自控 角座閥等多品種全型號自控閥門,1998年,OMAL(歐瑪爾)VIP梭閥榮獲歐洲工業設計金獎。憑借著對技術與品質的執著追求,OMAL執行器和自控閥門已處于歐洲領先地位,也由最初的專業執行器制造商,成長為歐洲著名的自控閥門公司。對品質的嚴格要求和對技術的不斷創新,是OMAL產品領先世界的重要原因。OMAL自控閥門產品覆蓋所有的工業領域,能滿足各種嚴酷惡劣的條件及高標準用戶的要求,其產品有:球閥、蝶閥、角座閥、梭閥以及執行器等。
DIMENSIONS | |||||||||||||
SIZE | A | B | □C | ?D | E | F | ?G | ?H | ?L | ?M | ?N | n°x?P | |
| DN [mm] | [inch] | ||||||||||||
| DN 10 | 3/8" | 110 | 55 | 6 | 90 | 47 | 39 | 46 | 36 | 6 | 60 | 10 | 4x14 |
| DN 15 | 1/2" | 115 | 57,5 | 6 | 95 | 49,5 | 41,5 | 46 | 36 | 6 | 65 | 15 | 4x14 |
| DN 20 | 3/4" | 120 | 60 | 6 | 105 | 53 | 45 | 46 | 36 | 6 | 75 | 20 | 4X14 |
| DN 25 | 1" | 125 | 62,5 | 9 | 115 | 64,5 | 51,5 | 65 | 50 | 7 | 85 | 25 | 4X14 |
| DN 32 | 1" 1/4 | 130 | 65 | 9 | 140 | 69,5 | 56,5 | 65 | 50 | 7 | 100 | 32 | 4X18 |
| DN 40 | 1" 1/2 | 140 | 70 | 14 | 150 | 89 | 76 | 65 | 50 | 7 | 110 | 40 | 4X18 |
| DN 50 | 2" | 150 | 75 | 14 | 165 | 97 | 84 | 65 | 50 | 7 | 125 | 50 | 4X18 |
| DN 65 | 2" 1/2 | 170 | 85 | 17 | 185 | 109,5 | 94,5 | 90 | 70 | 9 | 145 | 65 | 4X18 |
| DN 80 | 3" | 180 | 90 | 17 | 200 | 121 | 106 | 90 | 70 | 9 | 160 | 80 | 8X18 |
| DN 100 | 4" | 190 | 95 | 17 | 220 | 138 | 120 | 125 | 102 | 11 | 180 | 100 | 8X18 |


CON ATTUATORE PNEUMATICO DOPPIO EFFETTO | CON ATTUATORE PNEUMATICO SEMPLICE EFFETTO | |||||||||||||||||
WITH DOUBLE ACTING PNEUMATIC ACTUATOR | WITH SPRING RETURN PNEUMATIC ACTUATOR | |||||||||||||||||
MISURA | ARTICOLO | ATTUATORE | KIT montaggio | L | H | MISURA | ARTICOLO | ATTUATORE | KIT montaggio | L | H | |||||||
SIZE | Kg | ATEX | SIZE | Kg | ATEX | |||||||||||||
ITEM CODE | ACTUATOR | Mounting KIT | [mm] | [mm] | ITEM CODE | ACTUATOR | Mounting KIT | [mm] | [mm] | |||||||||
DN | [inch] | DN | [inch] | |||||||||||||||
DN 10 | 3/8" | DG406H063 | DAN0015411S | KCNAADD5274 | 159,0 | 161,2 | 2,9 | DG406H063YX | DN 10 | 3/8" | SG406H063 | SRN0015401S | KCNAADD5274 | 233,2 | 168,2 | 3,4 | SG406H063YX | |
DN 15 | 1/2" | DG406H064 | DAN0015411S | KCNAADD5274 | 159,0 | 163,7 | 3,0 | DG406H064YX | DN 15 | 1/2" | SG406H064 | SRN0015401S | KCNAADD5274 | 233,2 | 170,7 | 3,5 | SG406H064YX | |
DN 20 | 3/4" | DG406H065 | DAN0015411S | KCNAADD5274 | 159,0 | 167,2 | 3,9 | DG406H065YX | DN 20 | 3/4" | SG406H065 | SRN0015401S | KCNAADD5274 | 233,2 | 174,2 | 4,4 | SG406H065YX | |
DN 25 | 1" | DG406H066 | DAN0030411S | KCNCCDD5275 | 174,2 | 190,7 | 5,2 | DG406H066YX | DN 25 | 1" | SG406H066 | SRN0030402S | KCNCCDD5276 | 258,8 | 201,9 | 6,2 | SG406H066YX | |
DN 32 | 1" 1/4 | DG406H067 | DAN0030411S | KCNCCDD5275 | 174,2 | 195,7 | 6,9 | DG406H067YX | DN 32 | 1" 1/4 | SG406H067 | SRN0030402S | KCNCCDD5276 | 258,8 | 2062,9 | 7,9 | SG406H067YX | |
DN 40 | 1" 1/2 | DG406H068 | DAN0045412S | KCNCCDD5277 | 188,5 | 220,5 | 9,1 | DG406H068YX | DN 40 | 1" 1/2 | SG406H068 | SRN0053401S | KCNCCDD5278 | 304,2 | 239,3 | 10,9 | SG406H068YX | |
DN 50 | 2" | DG406H069 | DAN0060412S | KCNCCDD5279 | 198,0 | 234,4 | 12,1 | DG406H069YX | DN 50 | 2" | SG406H069 | SRN0060401S | KCNCCDD5278 | 338,5 | 251,0 | 13,9 | SG406H069YX | |
DN 65 | 2" 1/2 | DG406H070 | DAN0120411S | KCNDDDD5280 | 244,1 | 261,5 | 18,7 | DG406H070YX | DN 65 | 2" 1/2 | SG406H070 | SRN0120401S | KCNDDDD5281 | 409,6 | 295,6 | 22,9 | SG406H070YX | |
DN 80 | 3" | DG406H071 | DAN0180411S | KCNDDDD5281 | 289,9 | 303,5 | 23,3 | DG406H071YX | DN 80 | 3" | SG406H071 | SRN0180401S | KCNDDDD5281 | 474,0 | 314,0 | 27,6 | SG406H071YX | |
DN 100 | 4" | DG406H072 | DAN0240411S | KCNEEDD5282 | 313,6 | 341,1 | 30,7 | DG406H072YX | DN 100 | 4" | SG406H072 | SRN0240401S | KCNEEDD5283 | 520,5 | 365,0 | 37,1 | SG406H072YX | |